¿¹Î¢ÉúÎïÏû»¯ÏµÍ³½âÈÈÕòÍ´µ÷ÀíÃâÒßÖ×ÁöÁìÓòÐÄÄÔѪ¹Ü¿¹Ê§³£·´Ó³µ÷ÀíѪÌǾ«ÉñÕϰѪÈÝÁ¿À©ÈÝ
ʱ¼ä£º£º£º2019-06-17¡¡¡¡µã»÷Á¿£º£º£º10170
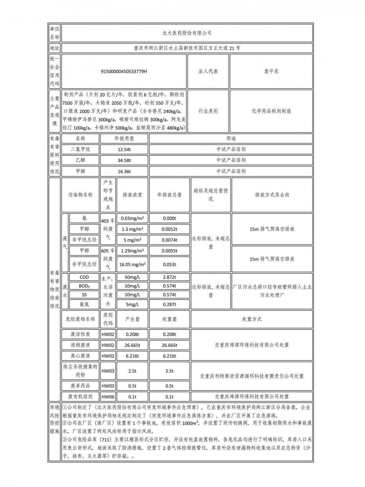
ƾ֤¡¶ÖлªÈËÃñ¹²ºÍ¹úÇå½àÉú²úÔö½ø·¨¡·¡¢¡¢¡¶Çå½àÉú²úÉóºË²½·¥¡·£¨ÖлªÈËÃñ¹²ºÍ¹ú¹ú¼Ò¿ªÕ¹ºÍË¢ÐÂίԱ»á¡¢¡¢ÖлªÈËÃñ¹²ºÍ¹úÇéÐα£»£»¤²¿ÁîµÚ38ºÅ£©µÄÒªÇ󣬣¬ÎÒµ¥Î»½«ÔÚ2019ÄêʵÑéÇ¿ÖÆÐÔÇå½àÉú²úÉóºËÊÂÇé¡£ÏÖÆ¾Ö¤Ö´ÂÉÀýÔò»®¶¨Ïò¹«ÖÚ¹«Ê¾2018Äê¶È²úÎÛÅÅÎÛ״̬¡£

ÁªÏµµç»°£º£º£º023-67502832
ÇëÉç»á¸÷½ç¶ÔÎÒ¹«Ë¾ÊµÑéÇå½àÉú²úÉóºËµÄÇéÐξÙÐмàÊÓ¡£
×Éѯµç»°£º£º£º023-63014398
ÓÊ¡¡¡¡±à£º£º£º400000
×ܲ¿µØµã£º£º£ºÖØÇìÊÐÁ½½ÐÂÇø½ð¿ª´óµÀ90ºÅרéµÈª¹ú¼ÊÖÐÐÄB×ù21Â¥
¿Í·þÈÈÏß
µç »°£º£º£º400-8310121¡¢¡¢800-8070918
ÁªÂçÓÊÏ䣺£º£ºpkuhealthcare@pku-hc.com
¹Ù·½Î¢ÐÅ
¼Ò×åÁ´½Ó£º£º£º
°æÈ¨ËùÓÐ ? 2019 ÌÚ²©»ãÓÎÏ·¹ÙÍø ÓåICP±¸09003354ºÅ |£¨Ó壩·Çı»®ÐÔ-2022-0198 | Óå¹«Íø°²±¸ 50019002500980ºÅ ÍøÕ¾ÉùÃ÷£º£º£º±¾ÍøÕ¾²¿·ÖͼƬÀ´×ÔÓÚÍøÂ磬£¬ÈôÓÐÇÖȨ£¬£¬ÇëÁªÏµÌÚ²©»ãÓÎÏ·¹ÙÍøÉ¾³ý¡£
¡¡ÖØÇìÍøÕ¾½¨É裺£º£º¾Å¶È»¥Áª